Будьте в курсе!
Новости, обзоры и акции
Время работы:
ПН-ПТ 10:00 - 19:00
СБ-ВС выходной
Новости, обзоры и акции
|
|
|
|
|
|
(0)
|
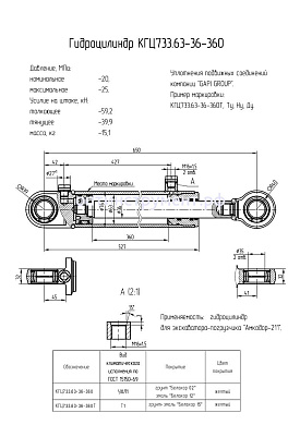
Вы можете узнать актуальную цену для города Саранска, на гидроцилиндр КГЦ733.63-36-360, сделав запрос, на наш электронный адрес 2584500@bk.ru
Гидроцилиндр для экскаватора-погрузчика "Амкодор-211" КГЦ 733.63-36-360 в продаже по цене 10 830 руб. в Интернет-магазине Проф-инструмент с доставкой в Саранске и Мордовии. Звоните по телефону +8 (800) 302-10-51.
Новости, обзоры и акции
