Будьте в курсе!
Новости, обзоры и акции
Время работы:
ПН-ПТ 10:00 - 19:00
СБ-ВС выходной
Новости, обзоры и акции
|
|
|
|
|
|
(0)
|
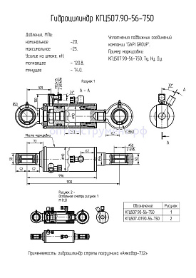
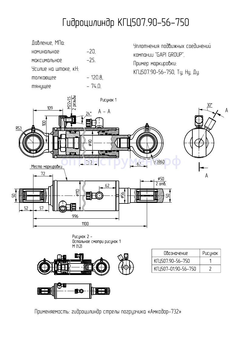
Вы можете узнать актуальную цену для города Саранска, на гидроцилиндр КГЦ507.90-56-750, сделав запрос, на наш электронный адрес 2584500@bk.ru
Гидроцилиндр стрелы погрузчика «Амкодор-732» КГЦ 507.90-56-750 в продаже по цене 30 585 руб. в Интернет-магазине Проф-инструмент с доставкой в Саранске и Мордовии. Звоните по телефону +8 (800) 302-10-51.
Новости, обзоры и акции
