Будьте в курсе!
Новости, обзоры и акции
Время работы:
ПН-ПТ 10:00 - 19:00
СБ-ВС выходной
Новости, обзоры и акции
|
|
|
|
|
|
(0)
|
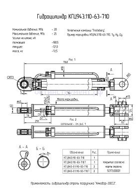
Вы можете узнать актуальную цену для города Саранска, на гидроцилиндр КГЦ943.110-63-710, сделав запрос, на наш электронный адрес 2584500@bk.ru
Гидроцилиндр стрелы погрузчика "Амкодор-330C2" КГЦ 943.110-63-710 в продаже по цене 38 295 руб. в Интернет-магазине Проф-инструмент с доставкой в Саранске и Мордовии. Звоните по телефону +8 (800) 302-10-51.
Новости, обзоры и акции
